SSM-85D Technical Information
Introduction
This is a page detailing some technical information on the Yaesu SSM-85D microphone.

Pinout
The connector of the microphone is an 6P6C modular connector. The pinout of the SSM-85D can be found by examining the FTM-400 Technical Supplement. In the schematic on Page 14 the jack is pictured (on the right edge between the top and middle).
NOTE: The FTM-300 supplies +8V on pin 4

Table of pins and wire colors
| Pin | Function | Wire Color |
|---|---|---|
| 1 | PTT | Blue |
| 2 | Mic | White |
| 3 | GND | Black (Tinned wire on modular connector) |
| 4 | +V | Red |
| 5 | SW1 | Gray |
| 6 | SW2 | Green |
Schematic
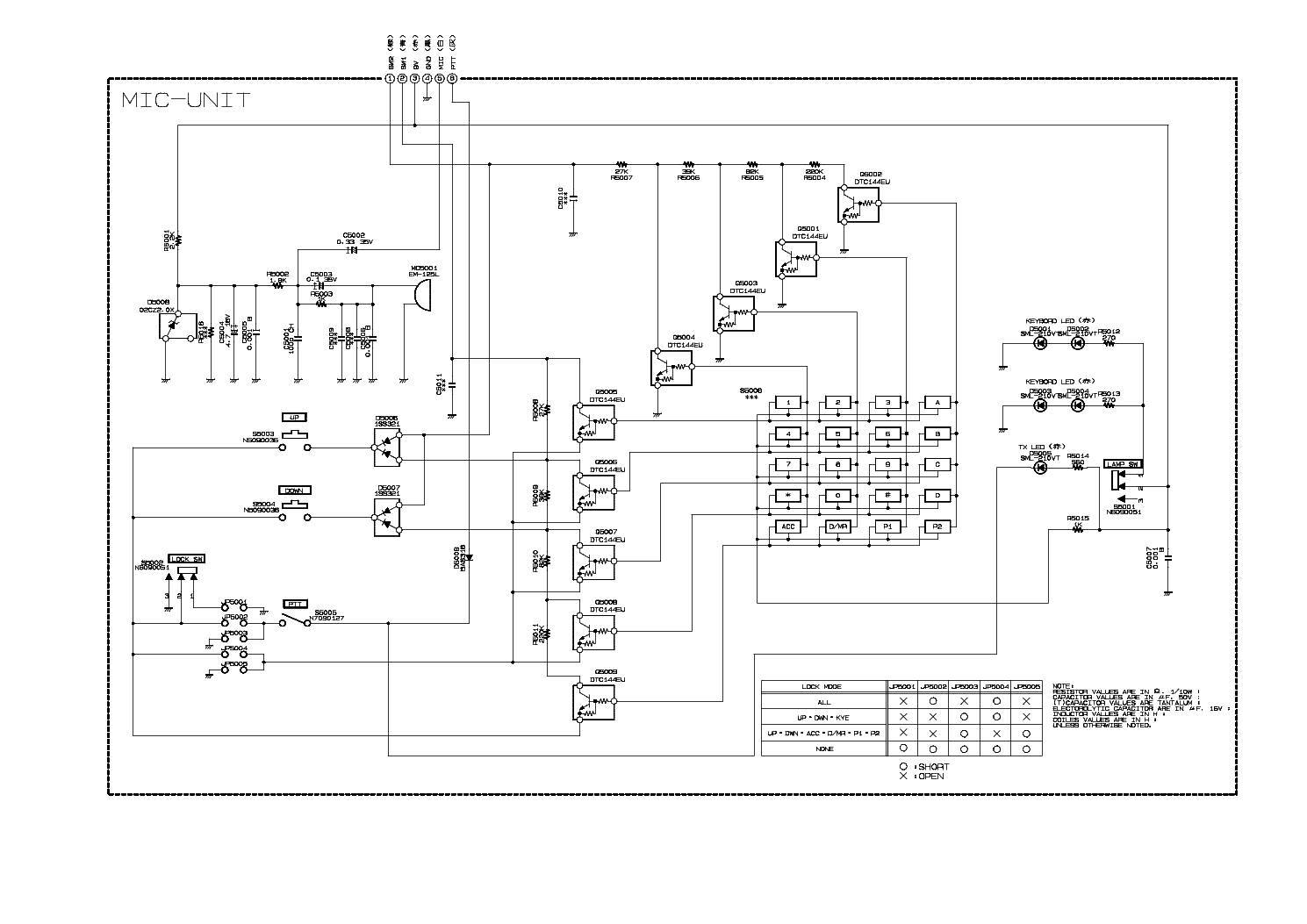
While I haven’t found a schematic for the SSM-85D, I did find one for what I understand is its predecessor, the MH-48. While this schematic certainly isn’t identical, it uses a matrix circuit which jives with the voltage observations below.

PTT Voltages
Supplying the mic with +5V, I connected a 220k pullup resistor to the PTT wire. When the button was not depressed, 4.898V were present. When PTT is pressed, 0.717V are present.
SW1/SW2 voltages
The mic appears to use a keyboard matrix circuit to encode its 23 non-PTT buttons. With +5V applied and a 220k pullup resistor from each of SW1/SW2, here are the voltages found for each key.
| Button | Row | Column | SW1 Voltage | SW2 Voltage |
|---|---|---|---|---|
| Up | - | - | 0.675 | 0.190 |
| Down | - | - | 1.275 | 0.190 |
| Mute | - | - | 3.081 | 0.079 |
| 1 | 1 | 1 | 0.067 | 0.563 |
| 2 | 1 | 2 | 0.067 | 1.163 |
| 3 | 1 | 3 | 0.067 | 1.982 |
| A | 1 | 4 | 0.067 | 3.224 |
| 4 | 2 | 1 | 0.519 | 0.563 |
| 5 | 2 | 2 | 0.519 | 1.163 |
| 6 | 2 | 3 | 0.519 | 1.982 |
| B | 2 | 4 | 0.519 | 3.224 |
| 7 | 3 | 1 | 1.145 | 0.563 |
| 8 | 3 | 2 | 1.145 | 1.163 |
| 9 | 3 | 3 | 1.145 | 1.982 |
| C | 3 | 4 | 1.145 | 3.224 |
| * | 4 | 1 | 1.976 | 0.563 |
| 0 | 4 | 2 | 1.976 | 1.163 |
| # | 4 | 3 | 1.976 | 1.982 |
| D | 4 | 4 | 1.976 | 3.224 |
| P1 | 5 | 1 | 3.082 | 0.563 |
| P2 | 5 | 2 | 3.082 | 1.163 |
| P3 | 5 | 3 | 3.082 | 1.982 |
| P4 | 5 | 4 | 3.082 | 3.224 |
TODO
- Determine mic bias from FTM-300 (I seem to recall it was +4V when I looked on the scope, but need to confirm)